Standard: Flag, High Level
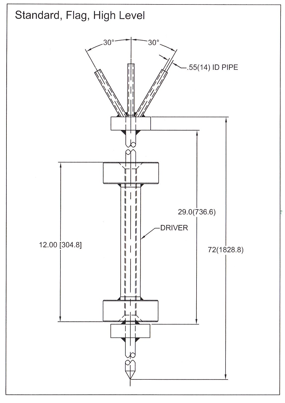
The flag standard is used for temporary caution marking at worksites.It consists of a pointed support rod and weighted driver to erect the flag standard, and 3 pipes on the top to insert warning flags.
Product Details
| Catalogue Number | MC | Standard Package | Unit Weight LB |
|---|---|---|---|
| T574 | 80730 | 1 | 22 |
https://www.slacan.net/catalogue/communication/standard/standard-flag-high-level
